Hem > Produkter > Mutter > Sexkantmutter > Momenttyp sexkantiga tunna muttrar
        Momenttyp sexkantiga tunna muttrar
        • Momenttyp sexkantiga tunna muttrarMomenttyp sexkantiga tunna muttrar
        • Momenttyp sexkantiga tunna muttrarMomenttyp sexkantiga tunna muttrar
        • Momenttyp sexkantiga tunna muttrarMomenttyp sexkantiga tunna muttrar
        • Momenttyp sexkantiga tunna muttrarMomenttyp sexkantiga tunna muttrar
        • Momenttyp sexkantiga tunna muttrarMomenttyp sexkantiga tunna muttrar

        Momenttyp sexkantiga tunna muttrar

        Rådande sexkantsmuttrar av vridmomenttyp följer standarder som DIN 980 eller ISO 7040. Denna typ av sexkantsmutter har en inbyggd låsanordning och kräver ett specifikt åtdragningsmoment. Varje år lägger Xiaoguo® 15 % av sin budget på forskning och utveckling av smarta fästelement. Vår teknik inkluderar iot-anslutningsspänningsmonitorer som används i Industry 4.0-inställningar.
        Modell:ISO 10511-1997

        Skicka förfrågan

        Produktbeskrivning


        Att göravridmoment typ sexkantiga tunna muttrarhåller längre, de får ytbehandlingar som zinkplätering (antingen doppad i smält zink eller elektropläterad) för att förhindra rost. Fosfatbeläggningar hjälper dem att greppa bättre och låta färg fastna. Specialbeläggningar som Dacromet® fungerar under riktigt tuffa förhållanden. Rostfria muttrar passiveras för att stärka deras oxidskikt. Beläggningar som Geomet® eller Delta-Tone® ger smörjning och skydd utan att krångla med låsmekanismen. Dessa behandlingar hållervridmoment typ sexkantiga tunna muttrararbetar i våta, salta eller kemiska miljöer samtidigt som de behåller sin form och funktion.

        torque type hexagon thin nut

        Drag

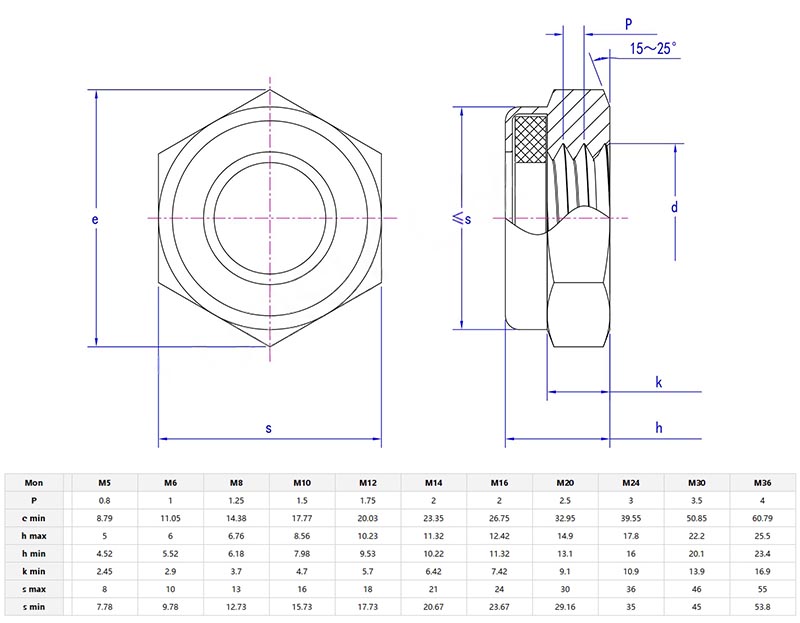
        Devridmoment typ sexkantiga tunna muttrarkommer i metriska storlekar från M4 till M24 och imperialstorlekar från 1/4 tum till 1 tum. Den följer standarder som DIN 980, ISO 7040 och ASME B18.2.2. Du hittar både fina och grova gängor för att fungera med olika bultuppsättningar. Denna sexkantiga tunna mutter är 30-50% tunnare än vanliga sexkantiga muttrar och är lämplig för små utrymmen.Xiaoguo®tillverkare stöder anpassning och kan göra specialstorlekar eller trådar som vänstergängor. Måtten matchar standardnycklar och automatiserade verktyg, vilket gör installationen enklare i fabriker.

        torque type hexagon thin nut parameter

        FAQ

        F: Hur fungerarvridmoment typ sexkantiga tunna muttrarjämföra med vanliga muttrar med låsbrickor?

        S: Istället för att behöva låsbrickor som vanliganötter, denvridmoment typ sexkantiga tunna muttrarhar inbyggd låsning. Detta skär ner på delar och installationstid. Dess självlåsande design håller sig tät mot vibrationer, till skillnad från brickor som kan lossna med tiden. Den smala formen passar in i trånga utrymmen, till skillnad från skrymmande brickmutteruppsättningar. Det undviker också problem som att brickor skiftar eller orsakar korrosion mellan delarna. För industrier fokuserade på effektivitet och tillförlitlighet erbjuder denna mutter ett billigare, underhållsfritt alternativ som fungerar bättre i situationer med hög rörelse.

        Marknadsföra
        Totala intäkter (%)
        Nordamerika
        25
        Sydamerika
        2
        Östeuropa
        16
        Sydostasien
        3
        Afrika
        2
        Oceanien
        2
        Mellanöstern
        3
        Östra Asien
        16
        Västeuropa
        17
        Centralamerika
        8
        Norra Europa
        1
        sydeuropa
        3
        Sydasien
        7
        Inhemsk marknad
        8


        Produktanvändningar

        Dessa fästelement används i stor utsträckning i många vanliga industriella och mekaniska monteringssituationer där utrymmet är begränsat och en lågprofilsfästlösning behövs. De fungerar bra i allmänna maskiner, elskåp, bildelar, plåtmontage och hushållsutrustning. De hjälper till att hålla ihop komponenterna stadigt under normala arbetsförhållanden, inklusive situationer med regelbundna vibrationer och upprepad stress. De passar in i vanliga monteringsprocesser och kan användas med matchande bultar i produktionslinjer, underhållsarbete och installation på plats. De är designade för att ge stabil spännkraft utan att ta för mycket vertikalt utrymme, vilket gör dem lämpliga för tunna material och kompakta strukturer. De flesta standardtillverknings- och monteringsmiljöer kan använda dem direkt utan specialverktyg eller komplicerade förberedelser. De hjälper till att hålla delar säkrade över tid och stödjer konsekvent prestanda i daglig produktion och drift av utrustning.


        Kvalitetssäkring av produkter

        Varje batch produceras enligt etablerade industristandarder, med konsekventa dimensioner och gängformning för att säkerställa god passform och stabil prestanda. Varje del går igenom grundläggande inspektionsprocesser, inklusive storlekskontroll, gängtestning och hårdhetsverifiering, för att uppfylla normala användningskrav. Materialvalet följer vanliga industrispecifikationer för att säkerställa pålitlig styrka och hållbarhet i vanliga arbetsmiljöer. Vi kontrollerar produktionsstabiliteten genom standardiserad bearbetning och fasta produktionsprocedurer, vilket minskar variationer mellan partier. Defekta produkter sållas bort under produktionen och före förpackning för att minimera problem vid faktisk användning. Vi upprätthåller också en stabil leverans och jämn kvalitet under långvarigt samarbete, och stödjer kunderna med pålitliga fästdetaljer som presterar som förväntat under verkliga arbetsförhållanden.





        Hot Tags: Momenttyp sexkantiga tunna muttrar, Kina, tillverkare, leverantör, fabrik
        Relaterad kategori
        Skicka förfrågan
        Lämna gärna din förfrågan i formuläret nedan. Vi kommer att svara dig inom 24 timmar.
        X
        Vi använder cookies för att ge dig en bättre webbupplevelse, analysera webbplatstrafik och anpassa innehåll. Genom att använda denna sida godkänner du vår användning av cookies. Sekretesspolicy
        Avvisa Acceptera