Hem > Produkter > Bult > Runt huvudbult > Förstärkta koppar med fyrkantiga halsbultar
        Förstärkta koppar med fyrkantiga halsbultar
        • Förstärkta koppar med fyrkantiga halsbultarFörstärkta koppar med fyrkantiga halsbultar
        • Förstärkta koppar med fyrkantiga halsbultarFörstärkta koppar med fyrkantiga halsbultar
        • Förstärkta koppar med fyrkantiga halsbultarFörstärkta koppar med fyrkantiga halsbultar

        Förstärkta koppar med fyrkantiga halsbultar

        Vill du köpa förstärkta bultar med fyrkantig hals med kopphuvud? Bultarna i Xiaoguo®-fabriken har ytterligare förstärkts för att motstå högre belastningar och vibrationer. Fästytan är större och bultarna är låsta för att förhindra rotation under installationen.
        Modell:GB/T 794-1993

        Skicka förfrågan

        Produktbeskrivning

        Förstärkta koppar med fyrkantiga halsbultarhar ett skålformat huvud för att öka kontaktytan och sprida trycket. De är anslutna till en fyrkantig hals för att förhindra att bulten roterar under installationen. Efter speciell värmebehandling tål de större spänningar och tryck.

        Strengthened cup head square neck bolts

        Produktdetaljer

        De är gjorda av höghållfasta material, såsom kolstål och legerat stål. Efter specialbehandling förbättras bultarnas hållfasthet avsevärt. På utrustning med stora vibrationer kan de fixera delarna ordentligt och kommer inte att lossna under kontinuerliga vibrationer, vilket säkerställer stabil drift av utrustningen och minskar antalet och kostnaderna för underhåll.

        Förstärkta koppar med fyrkantiga halsbultaranvänds i jordbruksutrustning. På fältet utsätts jordbruksredskap som plogar för kraftiga stötar från stenar och hård jord. Den fyrkantiga halsbulten snäpper fast i redskapsramen och förhindrar rotation vid intensiv användning. Det förhindrar att bulten sträcker sig eller klipps av under de tunga belastningar och stötar som är vanliga inom jordbruket.

        Den kan användas för att säkra broskarvar. Broar expanderar och drar ihop sig med temperaturförändringar, och dessa bultar förankrar dem ordentligt i betong- eller stålkanalerna och motstår de vridkrafter som orsakas av brorörelser. Detta minskar risken för misslyckande.

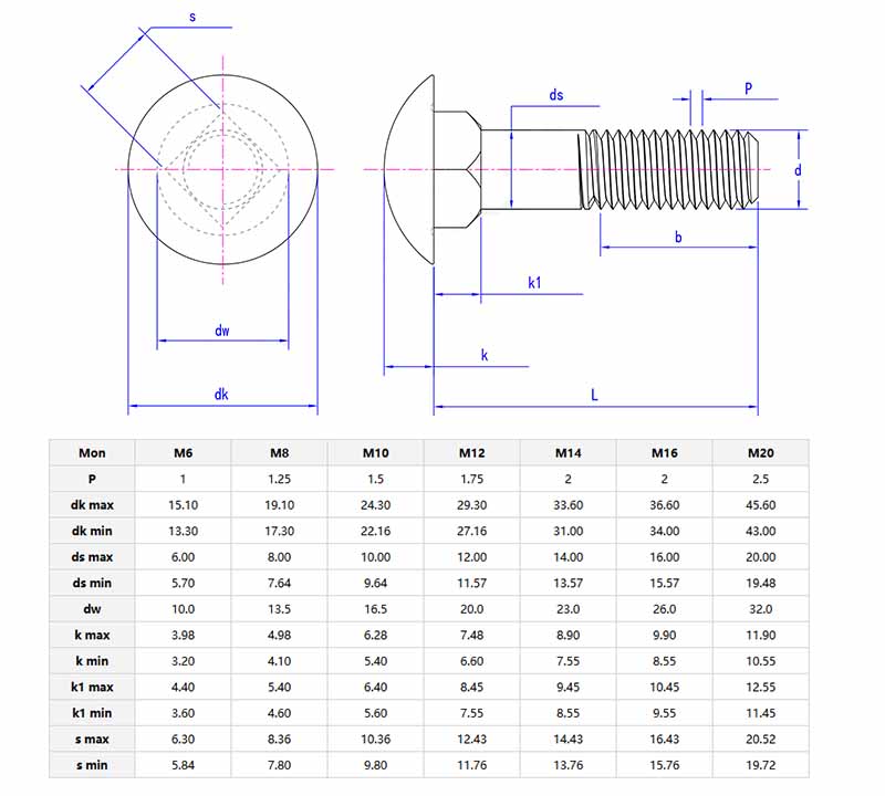
         Produktparametrar

        Strengthened cup head square neck bolts

        Produktfunktion

        Den mest utmärkande egenskapen hosFörstärkta koppar med fyrkantiga halsbultarär deras fyrkantiga hals och skålhuvud. Den fyrkantiga halsen är som en speciell nyckel som passar perfekt med det fyrkantiga spåret på materialet. Det spelar en roll för att placera och förhindra rotation under installationen. När du drar åt muttern fastnar den fyrkantiga halsen i spåret och bulten kommer inte att rotera med, vilket gör installationsprocessen enkel och effektiv. Kopphuvudet kan fördela trycket jämnt. Vid fixering av tunnare material kan vanliga bultar trycka på fördjupningar eller till och med penetrera materialet. Att använda dem kan undvika denna situation och även förbättra fixeringseffekten, vilket gör anslutningen säkrare.


        Användningsinstruktioner för produkten

        Förstärkta bultar med fyrkantig hals kräver enkel förberedelse och verktyg för installation. Kontrollera först att bultstorleken matchar det förborrade hålet och motsvarande mutter. Rikta in den fyrkantiga halsen på bulten med skåran på arbetsstycket—denna skåra är utformad för att förhindra att bulten roterar under åtdragning. Sätt sedan in bulten i hålet tills den fyrkantiga halsen passar tätt in i skåran. Använd sedan en skiftnyckel för att hålla fast bulthuvudet om det behövs, även om den fyrkantiga halsen vanligtvis håller den fixerad, och skruva på muttern på gängan för hand först för att säkerställa smidigt ingrepp. Använd slutligen en momentnyckel för att dra åt muttern till det rekommenderade vridmomentvärdet; undvik överdragning för att förhindra gängskador. För demontering, vänd stegen: lossa muttern med en skiftnyckel, ta bort den helt och dra sedan ut bulten ur hålet. Om bulten har fastnat på grund av rost, applicera en liten mängd smörjmedel och vänta några minuter innan du försöker ta bort den.

        Produktförpackning

        Förstärkta bultar med fyrkantig hals är förpackade baserat på beställningskvantitet för att skydda dem under transport och lagring. Små beställningar (vanligtvis mindre än 1000 stycken) packas i genomskinliga plastpåsar. Varje påse är förseglad för att förhindra damm och fukt och märkt med produktdetaljer som storlek, material och kvantitet. Mediumbeställningar (1000 till 10.000 stycken) placeras i hårdplastlådor med delade fack. Varje fack rymmer ett fast antal bultar för att undvika kollision och repor mellan dem. Stora beställningar (över 10 000 stycken) använder korrugerade kartonger för ytterförpackningar, med skum eller bubbelplast på insidan för att absorbera stötar under transport. Varje kartong är märkt med total kvantitet, produktspecifikationer och batchnummer för enkel lagerkontroll. Kunder kan begära skräddarsydda förpackningar, som att tillsätta torkmedel för att förhindra rost i fuktiga miljöer eller använda varumärkesspecifika förpackningar. Förpackningskostnaden ingår i produktpriset för standardalternativ, medan skräddarsydda förpackningar kan medföra extra avgifter.



        Hot Tags: Förstärkta koppar med fyrkantiga halsbultar, Kina, tillverkare, leverantör, fabrik
        Relaterad kategori
        Skicka förfrågan
        Lämna gärna din förfrågan i formuläret nedan. Vi kommer att svara dig inom 24 timmar.
        X
        Vi använder cookies för att ge dig en bättre webbupplevelse, analysera webbplatstrafik och anpassa innehåll. Genom att använda denna sida godkänner du vår användning av cookies. Sekretesspolicy
        Avvisa Acceptera