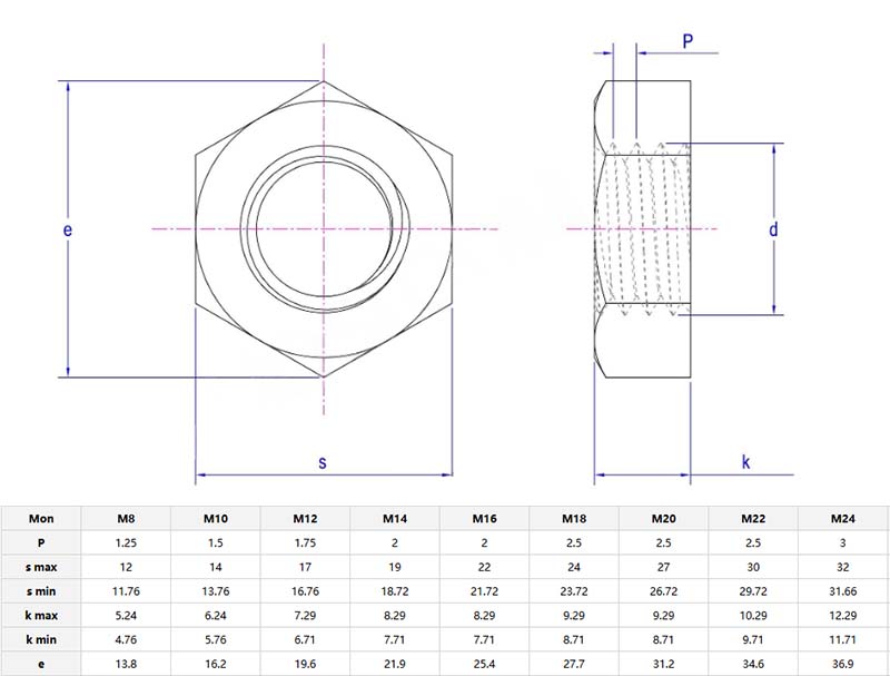
Enkel avfasade hexagon tunn mutterEnstaka sidoband för enkel justering med bultar. Det är installerat i trånga utrymmen och dess avfasningsdesign minskar risken för trådövergång. Volymen är mindre än standardmuttervolymen, så den kan hålla komponenterna kompakt.

VarförEnkel avfasade hexagon tunn mutter? Avfasad kant - den lutande delen kring öppningen som gör det lättare för arbetaren att vridamutter. Även i trånga utrymmen där du inte har mycket utrymme med händerna eller verktygen leder avfasningen muttern på bulten snabbare. Det finns inget behov av dig att mordligen anpassa det perfekt till bulten varje gång; Det glider mer smidigt, så att du kan göra saker snabbt.
Enkel avfasade hexagon tunn mutterskiljer sig från vanliga nötter eftersom det är tunt och inte tar för mycket utrymme. Även om det inte finns någon lämplig skiftnyckelmontering i närheten, kan du dra åt den för hand eller med tång. Därför används det ofta för att reparera små enheter, justera cykeldelar eller montera andra möbler.
Enkel avfasade hexagon tunn mutterär ofta installerad i elektronik (kretskort, sensorer), bilar (instrumentpaneler) och hushållsapparater. DIY -älskare gillar att installera det på ett modellpaket, 3D -skrivare eller reparationsspel. Det kan användas i alla applikationer som kräver tunn, exakt fästning.

Enkel avfasade hexagon tunn mutterär inte lämplig för användning på tung utrustning. För mekaniska enheter rekommenderar vi att du använder tjockare nötter. Om tråden sitter fast, använd en trådborste för att rengöra insidan avmutter. Det är lätt att använda men mycket effektivt!