Axeltyp Ögonbultar för fästelementet definieras av hållfasthets- och materialstandarder, avgörande för säkra lyft. Vanliga kvaliteter inkluderar 4,8, 8,8, 10,9 och 12,9 för kolstålvarianter - högre siffror betyder större draghållfasthet. Klass 4.8 passar lätta uppgifter som gör-det-själv hemma, medan 8.8 fungerar för allmänt industriellt bruk. Höghållfasta kvaliteter 10,9 och 12,9 klarar tunga belastningar i anläggningar eller maskiner.
Rostfria versioner följer ofta A4 (316) eller A2 (304) kvaliteter, och prioriterar korrosionsbeständighet för marin/kemisk miljö. Smidda legerade stålkvaliteter erbjuder överlägsen hållbarhet för extrema lyft. Varje kvalitet är märkt med belastningsklasser, vilket säkerställer kompatibilitet med avsedda tillämpningar och säkerhetsöverensstämmelse.
Kvalitetskontroll för en axelskruv innebär att man gör noggranna kontroller för att se till att den är säker och fungerar korrekt. Denna process innebär vanligtvis att se till att materialkvaliteten är korrekt, kontrollera gängorna för att se om de är korrekta och köra belastningstester för att bekräfta Working Load Limit (WLL). De kontrollerar också om dimensionerna matchar standarder som DIN eller ISO. Varje sats med ögonbultar ska kunna spåras och du får en certifiering som visar att den uppfyller kraven för hur du ska använda den.

Fråga: Hur ska jag installera en axelbult korrekt? För en standardbult, skruva in den hela vägen rakt in i ett gängat hål – se till att ögonaxeln nuddar ytan. Att dra i en vinkel kommer att helt minska den säkra arbetsbelastningen, och det är farligt.

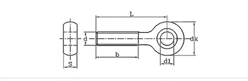
mm
Tråddiameter
d1
dk
s
M6
5
10.5
5.4
M8
6
13
7
M10
8
16
8.5
M12
10
19
10.5
M14
10
22
12