Hem > Produkter > Mutter > Sexkantmutter > Mj tråd små hexagon tunna nötter
      Mj tråd små hexagon tunna nötter
      • Mj tråd små hexagon tunna nötterMj tråd små hexagon tunna nötter
      • Mj tråd små hexagon tunna nötterMj tråd små hexagon tunna nötter
      • Mj tråd små hexagon tunna nötterMj tråd små hexagon tunna nötter

      Mj tråd små hexagon tunna nötter

      MJ-tråden Små hexagon tunna nötter är gjorda av högkvalitativa material och är lämpliga för ett brett utbud av applikationer, från montering av konsumentelektronik till konstruktion av mikrostrukturer. Om du letar efter en leverantör av kinesiska hexagon extra platta nötter med fin tonhöjdstråd, kan du välja Xiaoguo ®.
      Modell:HB 8243-2002

      Skicka förfrågan

      Produktbeskrivning

      Mj tråd små hexagon tunna nötterär en kompakt och låg profilmöt. "MJ -tråd" hänvisar till en speciell metrisk luftfartstråd med en cirkulär rot och bättre trötthetsmotstånd. Dess parametrar såsom tandprofil och tonhöjd har optimerats för att tillgodose behoven hos högstyrka och hög tillförlitlighet.

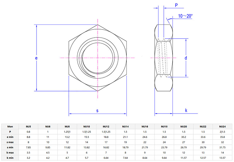
      Produktinformation och parametrar

      MJ thread small hexagon thin nuts


      MJ-tråd Små hexagon tunna nötter används ofta i flyg- och rymdpaneler), högpresterande motorer eller medicintekniska produkter. MJ -trådar kan minska stresskoncentrationen, vilket möjliggör deras tillämpning i miljöer med vibrationer eller cykliska belastningar. Mekanik använder dem på motorcyklar; Ingenjörer använder dem för obemannade flygfordon.

      De små hexagon tunna nötter är mer hållbara än den konventionella metriska tråden. Roten till MJ -tråden är cirkulär (snarare än skarp), vilket minskar möjligheten att spricka under upprepad kraft. På grund av mindre toleranser är de också mindre benägna att bli felaktiga. Om en funktionsfel leder till stillestånd eller fara, bör MJ -trådar användas istället. Dessutom är de lättare i vikt och appliceras i flyg- eller racerfält.

      Mj tråd små hexagon tunna nötteranvänds högpresterande motorer, satellitkomponenter eller medicinska implantat. Precisionen för MJ-trådar kan minska friktionen under åtdragningsprocessen. De kan motstå korrosion i hårda miljöer. Professionellt tips: Använd en nylonborste för att rengöra tråden. Skräp kan lätt täppa till MJ -tråden.




      MJ thread small hexagon thin nuts

      Installationstips

      Noggrannhet är nyckeln när du installerarMj tråd små hexagon tunna nötter. Det är tunnare än standardmetrisk tråd. Använd därför den i kombination med MJ -bulten. Blandade trådar kommer att orsaka slitage på båda. Använd en smal skiftnyckel eller uttag för att undvika att glida på den tunna hexagonala kanten. För nyckelfogar, applicera trådlåsningsmedel.


      Hot Tags: MJ -tråd liten hexagon tunna nötter, porslin, tillverkare, leverantör, fabrik
      Relaterad kategori
      Skicka förfrågan
      Lämna gärna din förfrågan i formuläret nedan. Vi kommer att svara dig inom 24 timmar.
      X
      We use cookies to offer you a better browsing experience, analyze site traffic and personalize content. By using this site, you agree to our use of cookies. Privacy Policy
      Reject Accept