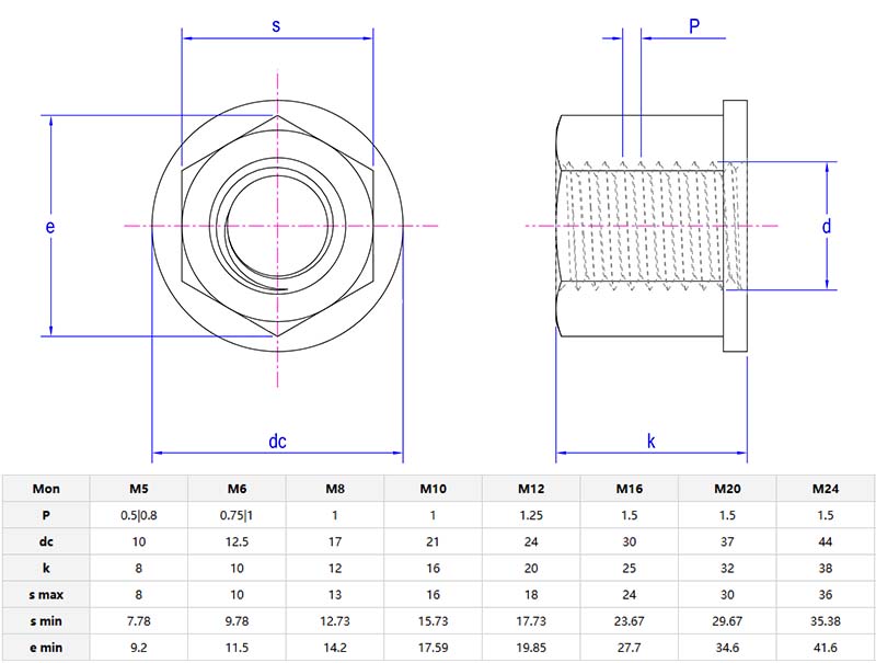
Sexkantmutter med krageär standard sexkantsmuttrar. Det finns en förlängd cylindrisk krage under sexkantshuvudet. Kragen lägger till ytterligare gängingrepp och skyddar bultgängorna från skador. Kragen fungerar som en inbyggd bricka.

Sexkantmutter med krageär praktiska fästen där kragen sträcker sig under sexkantshuvudet, vilket ger dig 2-3 extra gängor för ett säkrare grepp. Den standard sexkantiga formen kan användas med alla vanliga skiftnycklar, och den släta kanten på kragen gör det lättare för arbetare att installera. Även om den är något tyngre än den grundläggande muttern, ger den inbyggda kragen styrka och eliminerar behovet av en separat bricka eller packning. När du behöver ytterligare gängingrepp eller vill minimera exponerade skarpa kanter i mekanisk konstruktion, rekommenderar vi att du väljer vårsexkantsmutter med krage.

Varför väljasexkantsmutter med krage?
Kragen håller bulten längre, vilket minskar risken för gängförlust vid tung belastning. Den kan också täcka vassa bultändar, vilket gör den säkrare att använda på lekplatser, möbler eller utrustning. Behöver bara installera muttern, kragen kan spela en dubbel roll. Idealisk för miljöer där bultlängdsändringar eller gängor kräver skydd.
Sexkantmutter med krageanvänds inom bilindustrin (fjädringssystem, motorfästen), konstruktion och jordbruk. De används också i möbelmontering, träningsutrustning och gör-det-själv-projekt där bultar justeras ofta.
Sexkantmutter med krageger extra trådsäkerhet. Inga ytterligare shims eller överdrag krävs, detta är perfekt för gör-det-själv-entusiaster eller industrier som prioriterar effektivitet. Det är något dyrare, men det sparar tid och minskar antalet delar som används.