Hem > Produkter > Mutter > Sexkantmutter > Brickbelagd med sexkantsnötter
        Brickbelagd med sexkantsnötter
        • Brickbelagd med sexkantsnötterBrickbelagd med sexkantsnötter
        • Brickbelagd med sexkantsnötterBrickbelagd med sexkantsnötter
        • Brickbelagd med sexkantsnötterBrickbelagd med sexkantsnötter

        Brickbelagd med sexkantsnötter

        Den sexkantiga syltnötsbrickan av Xiaoguo® uppfyller internationella standarder, så muttrarna är mycket populära över hela världen. Oavsett om du är ett företag som är engagerat i tillverkning av importföretag eller en distributör som är engagerad i lagerdistribution, kommer vi att tillhandahålla högkvalitativa muttrar för ditt projekt.
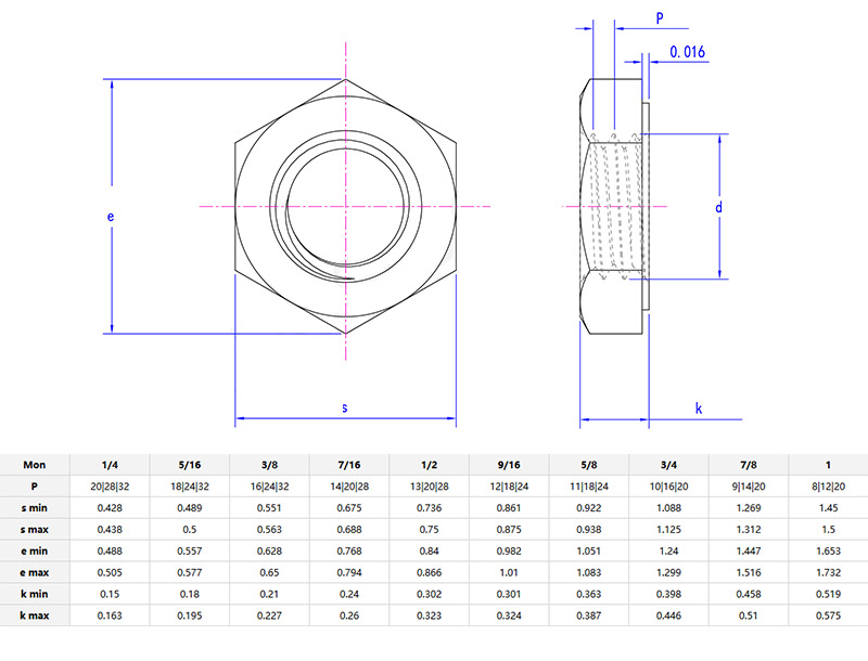
        Modell:ASME/ANSI B18.2.2-4-2015

        Skicka förfrågan

        Produktbeskrivning

        Brickbelagd med sexkantsnötterförbättrar ytskydd och grepp, vilket skiljer sig från vanliga anti-lossningsmuttrar. De kan återanvändas och är billigare än att köpa muttrar och brickor separat.

        Hexagon jam nuts washer faced

        Produktdetaljer och parametrar

        Brickbelagd med sexkantsmuttrar kombinerar egenskaperna hos muttrar och brickor som inte lossnar. När du använder dessa muttrar kommer brickorna att fördela trycket när de dras åt. Det är som att ha en buffertdyna mellan muttern och ytan som ska anslutas. Detta är mycket praktiskt när du har att göra med mjukare eller ojämna material. Till exempel, om du vill koppla något till en träbit, brickan påhexagon syltmuttrar bricka facedkan förhindra att muttern bäddar in i träet och eventuellt försvagar anslutningshållfastheten.

        Sexkantiga låsmuttrar-bricka monteras ofta inom områden som bilar (upphängningssystem, hjul), industriell utrustning (pumpar, motorer) och konstruktion (ställningsförband). Du kan också installera dem på cyklar, 3D-skrivare eller justera benen på möbler.



        Hexagon jam nuts washer faced parameter

        Vår marknadsfördelning

        Marknadsföra
        Totala intäkter (%)
        Nordamerika
        15
        Östeuropa
        3
        Östeuropa
        16
        Sydostasien
        5
        Mellanöstern
        5
        Östra Asien
        15
        Västeuropa
        14
        Centralamerika
        5
        Norra Europa
        10
        Sydasien
        12

        Installationstips

        Brickbelagd med sexkantsnötterhar olika material att välja mellan, och varje material har sina egna fördelar. Stål är det vanligaste. Den är stark och hållbar och tål stora krafter. Rostfritt stål är ett annat ofta använt material, speciellt när din utrustning utsätts för fuktiga eller tuffa miljöer. Rostfritt stål har egenskaperna rost och korrosionsbeständighet, så även om muttern blir blöt kan den fortfarande vara i gott skick.


        Frågestund

        F: Vilket storleksområde har din Hexagon syltmutterbricka?

        S: Våra sexkantsnötter med brickbelagda lock vanliga storlekar från M3 till M24. Dessa storlekar används ofta i industriell montering och maskiner. Vi kan även tillhandahålla andra storlekar om du har specifika krav. Varje storlek tillverkas enligt standardspecifikationer för att säkerställa att den matchar vanliga bultar på marknaden. Du kan berätta vilken storlek du behöver, så bekräftar vi tillgängligheten åt dig.  




        Hot Tags: Sexkantiga syltnötter med bricka, Kina, tillverkare, leverantör, fabrik
        Relaterad kategori
        Skicka förfrågan
        Lämna gärna din förfrågan i formuläret nedan. Vi kommer att svara dig inom 24 timmar.
        X
        Vi använder cookies för att ge dig en bättre webbupplevelse, analysera webbplatstrafik och anpassa innehåll. Genom att använda denna sida godkänner du vår användning av cookies. Sekretesspolicy
        Avvisa Acceptera