Gaffel

        Gaffel

        Xiaoguo® Fork-leden tillverkas i strikt i enlighet med den tyska industriella standarden Din 71752-1994 och används för svängnings- och rotationsförbindelser i mekaniska system. Gaffelfogen antar en öppen gaffelformad struktur och samarbetar med stiftet för att uppnå dubbelriktad artikulering.
        Modell:DIN 71752-1994

        Skicka förfrågan

        Produktbeskrivning


        Gaffelfog används ofta i scenarier som kräver vinkelkompensation och rörelseöverföring, såsom jordbruksmaskinerupphängning, konstruktionsutrustningsled, etc.


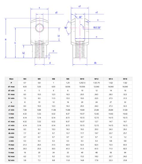
        Detaljer och parametrar

        Den 120 ° symmetriska gaffeln tillåter ± 15 ° svängning. Gaffelfogen anpassar sig till icke-koaxiella installationsfel och undviker spänningskoncentration i styva anslutningar. Materialet i denna fog kan väljas från 42CRMO -legeringsstål (hög hållfasthet) eller 316 rostfritt stål (korrosionsbeständighet) för att tillgodose behoven i olika arbetsförhållanden.

        Fork joint

        Gaffelfogar är kritiska i transportsystem som ansluter bältesegment för smidig materialöverföring. Deras gaffel design absorberar vibrationer och laterala krafter, vilket minskar underhållet. I robotarmar möjliggör gaffelfogar multi-axelrörelser för exakta uppgifter som monteringslinjesoperationer.

        Fork joint

        Marknadsfördelning

        Marknadsföra
        Intäkter (föregående år)
        Totala intäkter (%)
        Nordamerika
        Konfidentiell
        23
        Sydamerika
        Konfidentiell 5
        Östeuropa
        Konfidentiell
        19
        Sydostasien
        Konfidentiell
        2
        Oceanien
        Konfidentiell
        3
        Mitten av öst
        Konfidentiell
        2
        Östra Asien
        Konfidentiell
        15
        Västeuropa
        Konfidentiell
        15
        Centralamerika
        Konfidentiell
        5
        Sydasien
        Konfidentiell
        6

        Inhemsk marknad

        Konfidentiell
        5


        Varför välja oss

        Med erfarenhet av tillverkning av gaffelfoget i enlighet med DIN 71752-1994-standarden tillhandahåller vi stift-gaffelparningstester (vridmoment-svängningsvinkelkurvor) för att säkerställa systemnivåprestanda;

        Vi slutför icke-standard gaffelmunnkonstruktioner (som gaffel munnar med smörjspår och antisliplåsstrukturer) inom 7 dagar och stödbearbetning baserat på ritningar.



        Hot Tags: Gaffel Joint, Kina, tillverkare, leverantör, fabrik
        Relaterad kategori
        Skicka förfrågan
        Lämna gärna din förfrågan i formuläret nedan. Vi kommer att svara dig inom 24 timmar.
        X
        Vi använder cookies för att ge dig en bättre webbupplevelse, analysera webbplatstrafik och anpassa innehåll. Genom att använda denna sida godkänner du vår användning av cookies. Sekretesspolicy
        Avvisa Acceptera