Smidd ögonbultär starka fästelement som används för att lyfta, riggas och förankra. De har en runda "ögon" -slinga i ena änden och en gängad axel i den andra. Dessa låter dig fästa kablar, rep eller kedjor säkert. De är gjorda för att hantera både rörliga och stationära laster. Du kommer att se dem mycket i konstruktion, marint arbete och logistik.
Det finns olika typer, som axelbult, maskinbult och skruvögon. Varje typ fungerar för olika laststorlekar och miljöer. Deras design är tuff och pålitlig, vilket gör dem viktiga för att hålla saker säkra och arbeta bra i industriella miljöer.
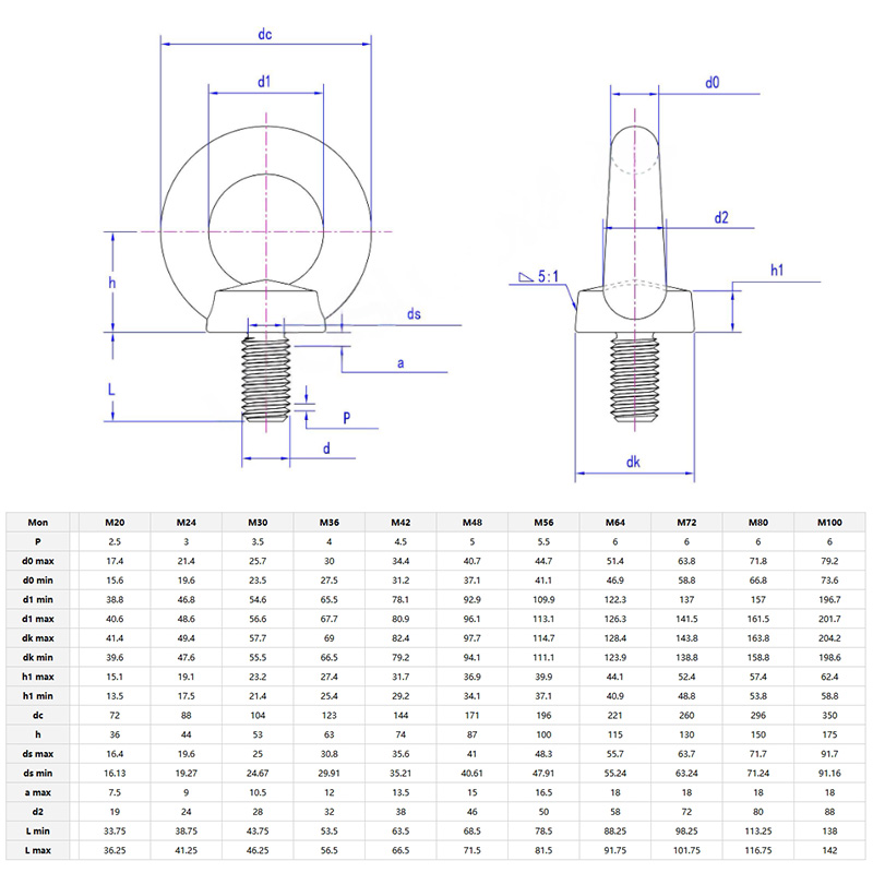
Smidd ögonbultKom i trådstorlekar som sträcker sig från M6 hela vägen upp till M48, och de är rankade för belastningar mellan 50 kg till över 20 ton. Om du använder axel-typ, kom bara ihåg-du måste skruva dem hela vägen för att träffa deras maxvikt. Skruva ögon? De är bättre för lättare jobb. Kontrollera alltid om de har certifieringar som DIN, ISO eller ASTM - det är så du vet att de är legitima.
Saker som ögonens storlek, skaftlängd och trådavstånd beror på ditt jobb, så att kontrollera viktdiagrammen för att undvika felanpassningar. Behöver du något konstigt för ett speciellt projekt? Vissa leverantörer kommer till och med att finjustera storleken eller trådarna åt dig. Hoppa bara inte över detaljerna när du beställer.

F: Vad är den maximala viktkapaciteten för dinsmidd ögonbult, och hur är det bestämd?
S: Hur mycket vikt det kan hålla verkligen kommer ner till tre saker: vad den är gjord av, hur tjockt den är och hur den är byggd. Ta till exempel kolstål, de är tuffare än stämplade eller böjda versioner och kan hantera var som helst från 0,25 ton upp till 11 ton. Arbetsbelastningsgränsen (WLL) - det är den maximala säkra vikten de kan hantera - räknas ut med hjälp av regler som ASME B30.26 eller DIN 580. Dessa regler bygger i en säkerhetskudde, vanligtvis ett 4: 1 eller 5: 1 -förhållande, så de är väldigt starkare än antalet antyder. I grund och botten, om det är rankat i 1 ton, är den faktiskt byggd för att hantera 4 eller 5 ton innan något går i sidled.