Hem > Produkter > Slutring > Styvt kvarhållande > Bultfäst axelkrage
      Bultfäst axelkrage
      • Bultfäst axelkrageBultfäst axelkrage
      • Bultfäst axelkrageBultfäst axelkrage

      Bultfäst axelkrage

      En bultfästad axelkrage säkerställer tillförlitlig belastningsfördelning och förhindrar oavsiktlig lateral rörelse i industriella applikationer med högt vridmoment. XIAOGUO® är specialiserad på produktion och försäljning av fästprodukter och har vunnit den årliga kvalitetsrevisionen som en nollfelstillverkare och leverantör.
      Modell:GB/T 885-1986

      Skicka förfrågan

      Produktbeskrivning

      Debultfäst axelkrageAnvänder vanligt legeringsstål eller rostfritt stål. Dessa material gör att det håller sig väl under tryck och undviker rost. De värmer behandlar ytan för att hårdna upp-slå runt 45-50 hrc hårdhet (så att den inte varpar när du trycker hårt). Rostfritt ståltyper hanterar röriga förhållanden bättre, som platser med kemikalier eller fukt, eftersom de rostar mindre. Metallen hanterar också upprepad stress utan att slitna snabbt. Eftersom det är både styvt och lite böjligt, hittar du dessa krage i stationära redskap, rörliga delar och till och med saker som går i extremma varma eller kalla tempor.


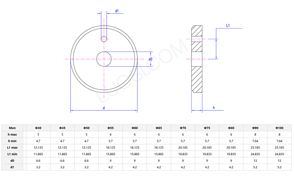
      Produktinformation och parametrar

      Bultfäst axelkrageanvänds ofta i fordonsväxellådor, industripumpar, transportbandutrustning och rörliga flyg- och rymddelar. Som en fixtur för delar på axeln kan den effektivt låsa delar som remskivor, kedjehjul och kopplingar på axeln för att förhindra axiell glidning under drift. Speciellt i utrustning som motorer och turbiner är dess antivibreringsstrukturella design av stor betydelse och kan säkerställa den stabila driften av utrustningen.


      Att behålla ringar är också mycket användbara i jordbruksmaskiner, robotik och förnybara energianordningar som vindkraftverk. Under höghastighets rotationsförhållanden kan det säkerställa säkerheten för komponenter genom tillförlitlig fixeringsprestanda. Därför, i branscher med extremt höga krav för precision och tillförlitlighet, har bult-på krage blivit en oundgänglig kärndel.

      Bolt fastened shaft collar

      Bolt fastened shaft collar parameters

      Om du har en sådan fråga


      F: Vilka material ärbultfäst axelkrageVanligtvis tillverkade av, och hur påverkar de hållbarhet?

      A:Bultfäst axelkrageär vanligtvis tillverkade av kolstål, rostfritt stål eller legeringsstål. Kolstål är billigare och fungerar bra för de flesta fabriksutrustningar, medan rostfritt stål motstår rost bättre - bra för våta områden eller platser med kemikalier (som båtar eller kemiska växter). Legeringsstål som blir värmebehandlade för att hantera tungt slitage och håller längre. Vilket material du väljer bestämmer kragens livslängd, hur mycket belastning det kan ta och var det kommer att fungera. Berätta bara var du kommer att använda det - som om det blir varmt, vått eller bär tunga belastningar - så att de matchar materialets rätt.



      Hot Tags: Boltfästad axelkrage, Kina, tillverkare, leverantör, fabrik
      Relaterad kategori
      Skicka förfrågan
      Lämna gärna din förfrågan i formuläret nedan. Vi kommer att svara dig inom 24 timmar.
      X
      We use cookies to offer you a better browsing experience, analyze site traffic and personalize content. By using this site, you agree to our use of cookies. Privacy Policy
      Reject Accept