För denlåskrage med bultfäste, kan du välja material baserat på vad du behöver. Kolstål (som SAE 1070/1095) används när du behöver ett starkt material för tuffa jobb. Rostfritt stål (AISI 304/316) fungerar bra på platser där saker kan rosta eller korrodera. Titanlegeringar är bra för flyg- och rymdsaker där de behöver det lätt men starkt. Det finns också specialgrejer som Inconel® för situationer med extrema temperaturer, antingen riktigt varmt eller riktigt kallt.
De testar varje material noggrant för att se till att det håller - kontrollerar hur mycket det kan sträcka sig utan att gå sönder (upp till 1500 MPa) och hur mycket slitage det klarar över tid. Mångfalden av material gör att denna låsring kan fungera i många olika miljöer, från superkalla platser till högvärmefabriker.
Att ta hand omlåskrage med bultfästeinnebär att man regelbundet kontrollerar bults åtdragning, ytslitage eller rost. Under underhåll, dra åt bultarna till tillverkarens rekommenderade vridmoment (vanligtvis 20-50 Nm). Använd skonsamma rengöringsmedel för att torka bort skräp och lägg lite fett mot kärvning på gängorna för att göra det lättare att ta isär senare. Om du ser sprickor eller ringen är missformad, byt ut den. Förvara ringarna på en torr plats med kontrollerad temperatur så att de inte skadas innan du installerar dem. Att hålla jämna steg med denna rutin hjälper dem att fungera bäst och kan få dem att hålla upp till 30 % längre.

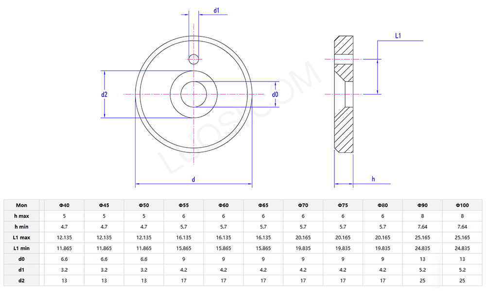
F: Hur bestämmer jag rätt storlek på enlåskrage med bultfästeför min axeldiameter?
S: Att välja rättlåskrage med bultfästeberor på din axels tjocklek (OD) och gängtyp. Börja med att mäta ditt skafts tjocklek och jämför det med tillverkarens storleksguide. Viktiga saker att notera: kragens inre storlek måste matcha axelns gängor, bultstorleken och hur tjock kragen är. Om ditt skaft inte är gängat måste du lägga till gängor först. Dubbelkolla alltid om trådarna är metriska eller imperialiska – att blanda ihop dem orsakar huvudvärk. För skaft av udda storlek finns anpassade kragar men de kommer att ta extra tid och pengar.
Våra bultfasta låskragar är huvudsakligen gjorda av kolstål. Vi väljer detta material eftersom det har god seghet och slitstyrka, vilket kan möta produktens grundläggande användningsbehov.
Innan produkterna lämnar fabriken belägger vi deras ytor med ett rostskyddsskikt. Denna behandling förhindrar att kragarna rostar när de används i fuktiga miljöer eller förvaras under lång tid.
Vi har även valfria material som rostfritt stål, för kunder som behöver bättre korrosionsbeständighet. Produktens materialtjocklek är designad utifrån standardkrav för bärande, så att den inte deformeras eller går sönder under normal användning.
Bultdelen är gjord av samma material som kragen, så hela produkten har konsekvent prestanda och stabilitet.
Fraktkostnaden för våra bultfasta låskragar beror på vart du skickar dem, vilken fraktmetod du väljer och hur många du beställer.
Om du går med standardlogistik är kostnaden lägre, men leveransen tar lite längre tid - vanligtvis 3 till 7 arbetsdagar. För brådskande beställningar kan du välja expressleverans, men det kostar mer. Den exakta extraavgiften beror på hur långt försändelsen måste gå.
När din beställning når en viss kvantitet står vi för fraktkostnaden åt dig. Varje produkt är liten och lätt, så även små partibeställningar kommer inte att ha superhöga fraktavgifter.
Innan vi skickar ut något paketerar vi kragarna ordentligt för att förhindra skador under transporten. Och denna förpackningskostnad är redan inkluderad i fraktavgiften - du behöver inte betala extra för den.
Om du vill veta den exakta fraktkostnaden är det bara att fråga vår kundtjänst. De kommer att beräkna det baserat på din specifika beställningsinformation.
F: Vad är MOQ och ledtid för din låskrage med bultfixering, och erbjuder du massbeställningsrabatter?
S: Minsta beställningskvantitet (MOQ) för standard låskrage med bultfixering är 300 stycken, med en ledtid på 7–10 arbetsdagar för vanliga beställningar. För bulkorder över 5 000 stycken erbjuder vi nivårabatter (3%–10% rabatt) för att minska dina inköpskostnader. Anpassad låskrage med bultfixering har en MOQ på 500 stycken och en ledtid på 12–18 arbetsdagar, inklusive provvalidering och produktionsschemaläggning.