Hem > Produkter > Bult > Runt huvudbult > Svart kopphuvud fyrkantig halsbult
        Svart kopphuvud fyrkantig halsbult
        • Svart kopphuvud fyrkantig halsbultSvart kopphuvud fyrkantig halsbult
        • Svart kopphuvud fyrkantig halsbultSvart kopphuvud fyrkantig halsbult
        • Svart kopphuvud fyrkantig halsbultSvart kopphuvud fyrkantig halsbult

        Svart kopphuvud fyrkantig halsbult

        Svart kopphuvud med fyrkantig halsbult är ordentligt installerad och har bra halkskydd. Det används ofta vid tillverkning och montering av utrustning. Xiaoguo®-fabriken är strikt i enlighet med JIS B1171-3-1996-standarden, du kan kontakta oss när som helst.
        Modell:JIS B1171-3-1996

        Skicka förfrågan

        Produktbeskrivning

        Chefen förSvart kopphuvud fyrkantig halsbultär skålformad, med en fyrkantig hals fäst nedanför, och det finns ett spår runt halsen. Den är vanligtvis gjord av kolstål eller rostfritt stål. Vi erbjuder gratis prover med diametrar från M6 till M20.

        Produktdetaljer

        De används i möbeltillverkning. När möbelfabriker tillverkar möbler i massivt trä, såsom bord och stolar, kommer de att använda dem. Vid sammankoppling av bordsskivan och bordsbenen, borra hål vid anslutningen först. Rikta in bultspåren med hålen och sätt i dem. Den fyrkantiga halsen kan förhindra att bultarna roterar när muttrarna dras åt. Kopphuvudet kommer inte att repa ytan på träet. Efter åtdragning är bordet stadigt och lossnar inte ens efter flera års användning.

        Svart kopphuvud med fyrkantiga halsbultaranvänds för att montera elektroniska enheter som datorfodral och skrivare. Det inre utrymmet för elektroniska enheter är litet och det finns många delar. De kan fixera komponenter som kretskort och höljen ordentligt. Spåren förhindrar att bultar lossnar. Kopphuvudena tar inte upp plats och kommer inte att vidröra andra delar, vilket säkerställer normal drift av utrustningen.


        Black cup head square neck bolt

        Produktförsäljningsargument

        DeSvart kopphuvud med fyrkantiga halsbultarhar en bra anti-lossningseffekt och är lätta att installera. Dess slits kan föras in i materialets hål och är inte lätt att lossa efter att ha dragits åt. Den fyrkantiga halsen kommer inte att vridas när du drar åt muttern, vilket sparar mycket problem. Kopphuvudet kan fördela trycket jämnt och skadar inte materialet. Och det är prisvärt.

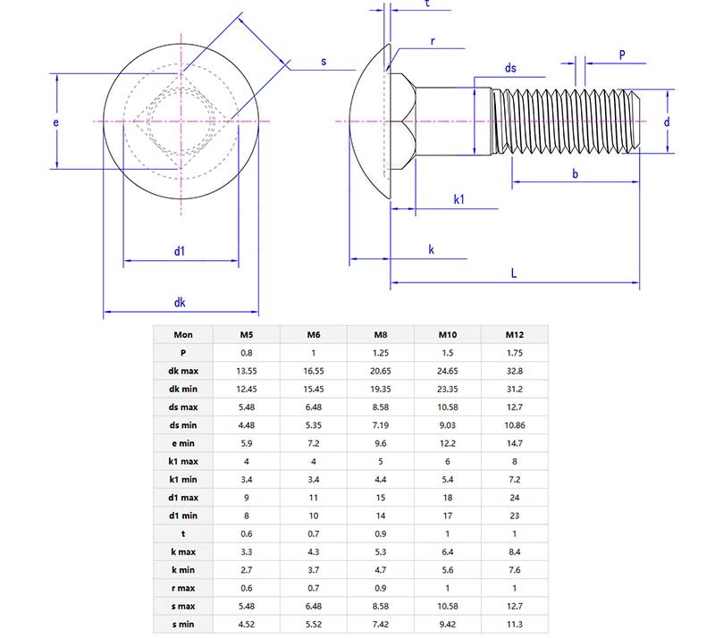
        Produktparametrar

        Black cup head square neck bolt


        Användningsinstruktioner för produkten

        Svart kopphuvud med fyrkantig halsbult används genom några enkla steg. Borra först ett hål i arbetsstyckena som måste anslutas; hålets diameter bör matcha bultens skaftstorlek för att säkerställa en tät passform. Sätt sedan in bulten i hålet och se till att den fyrkantiga halsen passar in i motsvarande skåra eller urtagning på arbetsstyckets yta – den här fyrkantiga halsdesignen förhindrar att bulten roterar under installationen. Placera sedan en bricka på motsatta änden av bulten om det behövs, skruva sedan på en mutter med en skiftnyckel. Dra åt muttern gradvis tills arbetsstyckena är ordentligt fastklämda. Undvik överdragning för att förhindra skador på gängan eller arbetsstycket. Denna metod är lämplig för träbearbetning, metallmontage och olika industriella fixeringsscenarier där antirotation och stabil infästning krävs.



        Hot Tags: Svart kopphuvud fyrkantig halsbult, Kina, tillverkare, leverantör, fabrik
        Relaterad kategori
        Skicka förfrågan
        Lämna gärna din förfrågan i formuläret nedan. Vi kommer att svara dig inom 24 timmar.
        X
        Vi använder cookies för att ge dig en bättre webbupplevelse, analysera webbplatstrafik och anpassa innehåll. Genom att använda denna sida godkänner du vår användning av cookies. Sekretesspolicy
        Avvisa Acceptera