Hem > Produkter > Bult > Bult > T-formad fyrkantig halsbult
        T-formad fyrkantig halsbult
        • T-formad fyrkantig halsbultT-formad fyrkantig halsbult
        • T-formad fyrkantig halsbultT-formad fyrkantig halsbult
        • T-formad fyrkantig halsbultT-formad fyrkantig halsbult

        T-formad fyrkantig halsbult

        Den T-formade fyrkantiga bulten är känd för sin enastående prestanda och stabilitet. Bultarna som tillverkas av Xiaoguo®-tillverkaren kan ge långvarigt och stadigt stöd. Vi erbjuder snabb leverans av inventarier. Även om du akut behöver dem kan vi fortfarande uppfylla dina krav.
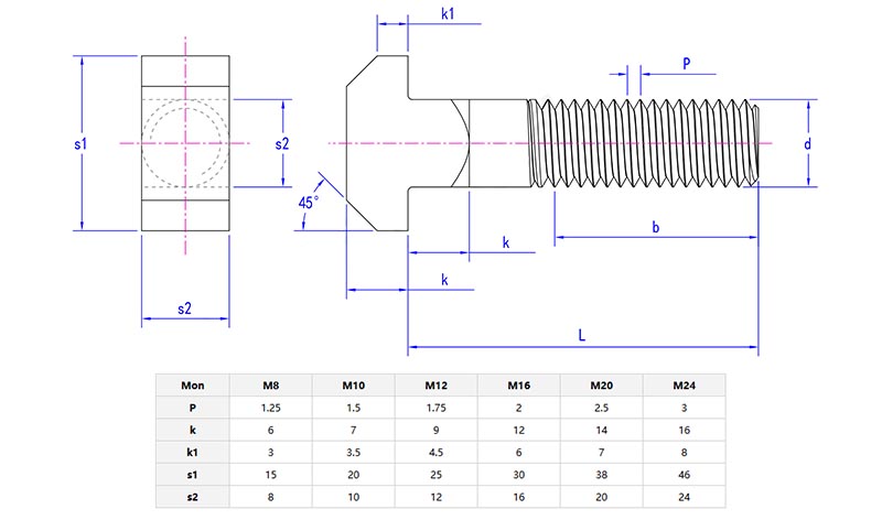
        Modell:JIS B1166-1995

        Skicka förfrågan

        Produktbeskrivning

        Chefen förT-formad fyrkantig halsbultär T-formad, med en fyrkantig hals ansluten under den, följt av en gängad skruvdel. Tillverkad strikt i enlighet med standarden för JB/T 1709-1991, kan den uppfylla olika anslutningskrav.

        Produktdetalj

        Bulten kan användas för att bygga en justerbar arbetsstationsram. De kan glida in i extruderingsspåren i vilken position som helst. Lägg till fästet och dra åt det. Bulthalsen kan omedelbart spännas fast för att hålla komponenten fyrkantig. Layouten kan konfigureras om utan att borra nya hål.

        T shaped square neck bolt


        Sätt inT-formad fyrkantig halsbulti det T-formade spåret på bildskärmsstativets ram. Designen med fyrkantig hals förhindrar att bultarna roterar under installationen. Genom att dra åt eller lossa muttrarna kan de enskilda komponenternas positioner justeras och på så sätt ändra formen och layouten på displaystativet. Det T-formade huvudet och den fyrkantiga halsen samverkar för att säkerställa en stabil anslutning av displaystativet och förhindrar att det lätt skakar.

        T-formade fyrkantiga bultar kan användas för att installera transportbandsdrivanordningar som glider in i ramspåren. När du drar åt kedjehjulsfästet kommer bulthalsen att låsa sig, vilket bibehåller exakt inriktning under spänningsprocessen. Felinriktningen av remskivan som orsakas av bultarnas rotation har eliminerats.


        Produktparametrar

        T shaped square neck bolt


        Produktförsäljningsargument

        Utformningen avT-formad fyrkantig halsbultär väldigt genialiskt. Det T-formade huvudet är bekvämt för positionering och drift. Den fyrkantiga halsen kan förhindra att bulten roterar tillsammans med muttern när den dras åt, vilket gör anslutningen mer stabil. Inga professionella färdigheter krävs under installationen. Oavsett om det är industriell produktion eller det dagliga livet, så länge det finns behov av objektkoppling och fixering kan det i princip tas i bruk.

        Hot Tags: T-formad fyrkantig halsbult, Kina, tillverkare, leverantör, fabrik
        Relaterad kategori
        Skicka förfrågan
        Lämna gärna din förfrågan i formuläret nedan. Vi kommer att svara dig inom 24 timmar.
        X
        Vi använder cookies för att ge dig en bättre webbupplevelse, analysera webbplatstrafik och anpassa innehåll. Genom att använda denna sida godkänner du vår användning av cookies. Sekretesspolicy
        Avvisa Acceptera