Hem > Produkter > Mutter > Hand Skruva Muttern > Räfflad rullmutter med hög krage
        Räfflad rullmutter med hög krage
        • Räfflad rullmutter med hög krageRäfflad rullmutter med hög krage
        • Räfflad rullmutter med hög krageRäfflad rullmutter med hög krage

        Räfflad rullmutter med hög krage

        Investera i varaktig noggrannhet och stöd. XIAO GUO:s hållbara räfflade rullmutter med hög krage är byggd för uthållighet. Vi stödjer våra produkter med en solid räfflad rullmutter med hög krage 2 års garanti, vilket ger förtroende och minskar din totala ägandekostnad.

        Skicka förfrågan

        Produktbeskrivning

        Du behöver ett tull- eller kvalitetskontrollintyg som du själv har registrerat för High Collar Knurled Rolling Nuts, som vi kan tillhandahålla kostnadsfritt när du gör din beställning. vi kan tillhandahålla det kostnadsfritt när du gör din beställning. Certifikatet har inget fancy innehåll, bara den nödvändiga grundläggande informationen.

        Den innehåller detaljer som batchnummer, råmaterialtyp, ytbehandlingsmetod och viktiga testresultat. Dessa tester täcker gängnoggrannhet, storlekskonsistens och korrosionsbeständighetsdata från relevanta experiment. Varje certifikat har en unik spårbarhetskod, så att du kan verifiera dess äkthet och kontrollera testdetaljerna om det behövs.

        Dokumentet använder ett enkelt språk, inga komplicerade tekniska termer. Den uppfyller vanliga industristandarder och är erkänd för de flesta internationella försändelser. Låt oss bara veta att du behöver det när du beställer, så inkluderar vi det med din leverans med räfflad rullmutter med hög krage. Inga extra avgifter eller tråkiga procedurer för denna tjänst.

        Produktanvändningar

        Den används främst för att lägga till gängade hål i tunn plåt utan extra muttrar. Du hittar det inom elektroniktillverkning – som att montera komponenter på enhetshöljen eller fixa metallpaneler på datorer och skrivare. Det fungerar här eftersom det sitter jämnt och tar inte upp extra utrymme inuti enheterna.

        Det är också vanligt vid möbelmontering. Arbetare använder den för att fästa metallfästen på skåpsramar eller fästa lådslider på metallskenor. I små verkstäder är det praktiskt för skräddarsydda plåtprojekt, som att bygga verktygslådor eller metallhyllor som behöver starka, pålitliga fästen.

        Gör-det-själv-entusiaster använder det också för uppgifter som att reparera trädgårdsredskap i metall eller göra små metallhantverk. Det är bra för alla jobb där du behöver ett gängat hål i tunn metall men inte vill svetsa eller använda skrymmande hårdvara. Räfflad rullmutter med hög krage passar de flesta lätta till medelstora plåtfästbehov, inget extra krångel med komplicerade verktyg.

        High Collar Knurled Rolling Nut

        Frågestund

        F: Vad händer om vissa produkter är defekta efter leverans?

        S: Ta först foton eller videor av de defekta produkterna och skicka dem till oss inom 7 dagar efter mottagandet. Vi kontrollerar problemet snabbt. Om det är ett kvalitetsproblem från vår produktion skickar vi ersättningar gratis. Ersättningsfraktkostnaden betalas av oss. Vi har sällan sådana problem eftersom varje batch går igenom strikt inspektion, men vi kommer att hantera efterförsäljningen på rätt sätt för att undvika att påverka din användning.  

        High Collar Knurled Rolling Nut


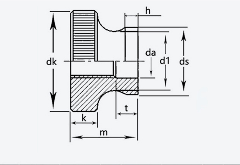
        storlek Tonhöjd Ytterdiameter Höjd k ds da d1 T h
        max min max min max min max min max
        M3 0,5  11  10.7  6,64  2.8  5.7  3.5  3.2  5.2  1.2 
        M4 0,7  12  11.7  7,64  7,64  4.5  4.2  6.4  2.5  1.5 
        M5 0,8  16  15.7  10  96,6  10  9,64  5.5  5.5 
        M6 20  19.7  12  11.6  12  11.6  6,56  6.2  11  2.5 
        M8 1,25  24  23.7  16  15.6  16  15.6  8,86  8.5  13 
        M10 1.5 30 29.7 20 19.5 8 20 19.5 10.9 10.5 17.2 6.5 3.8
        Hot Tags: Räfflad rullmutter med hög krage, Kina, tillverkare, leverantör, fabrik
        Relaterad kategori
        Skicka förfrågan
        Lämna gärna din förfrågan i formuläret nedan. Vi kommer att svara dig inom 24 timmar.
        X
        Vi använder cookies för att ge dig en bättre webbupplevelse, analysera webbplatstrafik och anpassa innehåll. Genom att använda denna sida godkänner du vår användning av cookies. Sekretesspolicy
        Avvisa Acceptera