Hem > Produkter > Svetsmuttrar > Svetsad mutter > Klass 8 svetsa fyrkantsmuttrar med typ 1D
        Klass 8 svetsa fyrkantsmuttrar med typ 1D
        • Klass 8 svetsa fyrkantsmuttrar med typ 1DKlass 8 svetsa fyrkantsmuttrar med typ 1D
        • Klass 8 svetsa fyrkantsmuttrar med typ 1DKlass 8 svetsa fyrkantsmuttrar med typ 1D

        Klass 8 svetsa fyrkantsmuttrar med typ 1D

        Klass 8 svetsade fyrkantsmuttrar med typ 1D uppfyller hållfasthetsstandarden med 8 nivåer och är lämpliga för applikationer med högt vridmoment. 1D-designen säkerställer att den på ett tillförlitligt sätt kan svetsas på metallytan. Muttrarna som tillverkas av Xiaoguo® Company överensstämmer med utförandestandarden för JIS B1196-2-1994.
        Modell:JIS B1196-2-1994

        Skicka förfrågan

        Produktbeskrivning

        Klass 8 svetsade fyrkantsmuttrar med typ 1D har en fyrkantig form och har ett invändigt gänghål, som är designat för att användas i kombination med bultar. Hållfasthetsgraden når klass 8, och materialet är vanligtvis stål. De kan fästas på arbetsstycket genom svetsning.

        Produktegenskaper

        Klass 8 svetsade fyrkantsmuttrar av typ 1D tål kontinuerliga vibrationer. Genom att använda hela kontaktytan av typ 1D kan de bågsvetsas direkt på stödbalken. M30-gängan tål enorma vridmoment vid åtdragning av skärmrörsklämman. Vid justering av spänningen under belastning kommer de inte att lossna som muttrar av lägre kvalitet, vilket minskar oplanerade stillestånd.

        Klass 8 svetsade fyrkantsmuttrar av typ 1D tål havsvatten och orkanbelastningar. Svetsa dem på stålnoder med en diameter på 50 millimeter eller mer. De kritiska anslutningarna använder 1-1/4 tums gängor. Det 8-gradiga materialet kommer inte att genomgå spröd fraktur vid minusgrader. Den fyrkantiga profilen kan förhindra rotation när bultarna dras åt på ett djup av 200 fot över vattenytan.

        Klass 8 svetsade fyrkantsmuttrar med typ 1D kan svetsas till 3-tums tjockt legerat stål. Typ 1D kan genomgå flera pass av bågsvetsning utan deformation. M36-gängan tål 1 500 fot-punds vridmoment på specialbultar. Säkerställ noll läckage. Grad 8 styrka kan förhindra gängkrypning och undvika att tätningar lossnar orsakade av årtionden av vibrationer.

        Produktparametrar

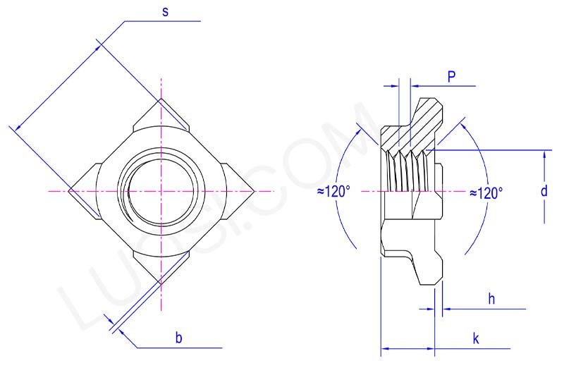
        parameter Class 8 weld square nuts with type 1D

        mån
        M4 M5 M6 M8 M10 M12
        P
        0.7 0.8 1 1|1,25 1,25|1,5 1,25|1,75
        s max
        8 9 10 12 14 17
        s min
        7.64 8.64 9.64 11.57 13.57 16.57
        k max
        4 5 6 7.5 10 12
        k min
        3.7 4.7 5.7 7.14 9.64 11.57
        h max
        1 1 1 1 1 1.2
        h min
        0.8 0.8 0.8 0.8 0.8 1
        b max
        0.5 0.5 0.5 1 1 1
        b min
        0.3 0.3 0.3 0.5 0.5 0.5

        Produktfördel

        Klass 8-svetsfyrkantmuttrarna med typ 1D är höghållfasta, som tål avsevärd spänning och tryck. Dess fyrkantiga design ger en större kontaktyta, vilket gör det mindre sannolikt att den lossnar under åtdragning. Dessutom är den lätt att svetsa, och efter svetsning är den stadigt ansluten till arbetsstycket, vilket säkerställer stabilitet under långvarig användning.


        Hot Tags: Klass 8 svetsfyrkantsmuttrar med typ 1D, Kina, tillverkare, leverantör, fabrik
        Relaterad kategori
        Skicka förfrågan
        Lämna gärna din förfrågan i formuläret nedan. Vi kommer att svara dig inom 24 timmar.
        X
        Vi använder cookies för att ge dig en bättre webbupplevelse, analysera webbplatstrafik och anpassa innehåll. Genom att använda denna sida godkänner du vår användning av cookies. Sekretesspolicy
        Avvisa Acceptera