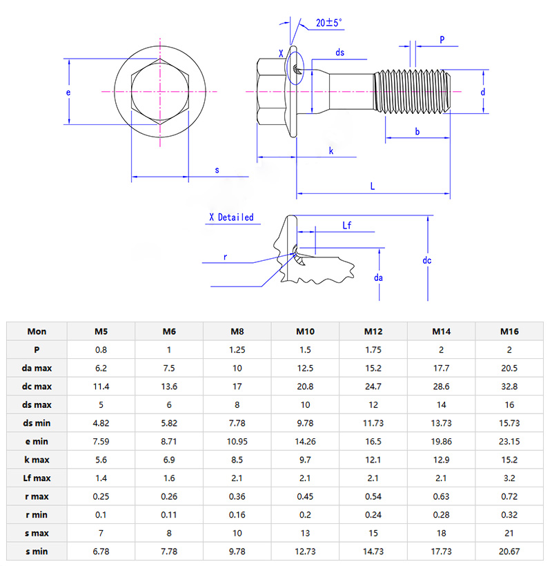
Jämfört med den vanliga hexagonala flänsbulten,hexagonflänsbult av finstångflänshar en tunnare skruv än den vanliga, medan huvudet fortfarande är den vanliga hexagonala formen. Flänsplattan under skruven ökar kontaktområdet med det anslutna objektet.

Dehexagonflänsbult av finstångflänskan användas för att fixa skakningskamerastativet. De tunna stavarna kan exakt skruvas in i små konsoler, och flänsarna kan placeras platt på plast- eller metallkonsoler. När du tar en selfie vid solnedgången skakar inte fotot.
Det kan fixa kretskortet och förhindra att komponenterna trängsel. De kan lätt sättas in på platser med begränsat utrymme, och flänsarna kan skydda de exakta svetspunkterna.
Hexagonflänsbult av finstångfläns kan användas vid tillverkning och underhåll av obemannade flygfordon. Drönare är små i storlek, ljus i vikt och har dyrbart internt utrymme. Under tillverkningsprocessen av obemannade flygfordon (UAV) kan de användas för att ansluta komponenter såsom flygkroppsramen och motorerna, och de tunna stavarna lägger inte överdriven vikt. När drönare är underhåll är de enkla att ta bort och installera om.

Försäljningspunkten förhExagon flänsbult av finstångflänsär "rymdbesparande och stabil". De tunna stavarna är praktiska för flexibel installation i ett begränsat utrymme och tar inte mycket utrymme. Flänsplattor kan säkerställa stabilitet under anslutningen, så när du drar åt dem lossnar de inte lätt.