Hem > Produkter > Bult > Flänsbult med sexkanthuvud > Sexkantsbultar med fläns
        Sexkantsbultar med fläns
        • Sexkantsbultar med flänsSexkantsbultar med fläns
        • Sexkantsbultar med flänsSexkantsbultar med fläns
        • Sexkantsbultar med flänsSexkantsbultar med fläns

        Sexkantsbultar med fläns

        Sexkantsbultarna med fläns tillverkade av Xiaoguo® är betrodda av kunder över hela världen. Strikt kontroll har implementerats genom hela produktionsprocessen. Om du vill fråga om priser, vänligen kontakta oss.
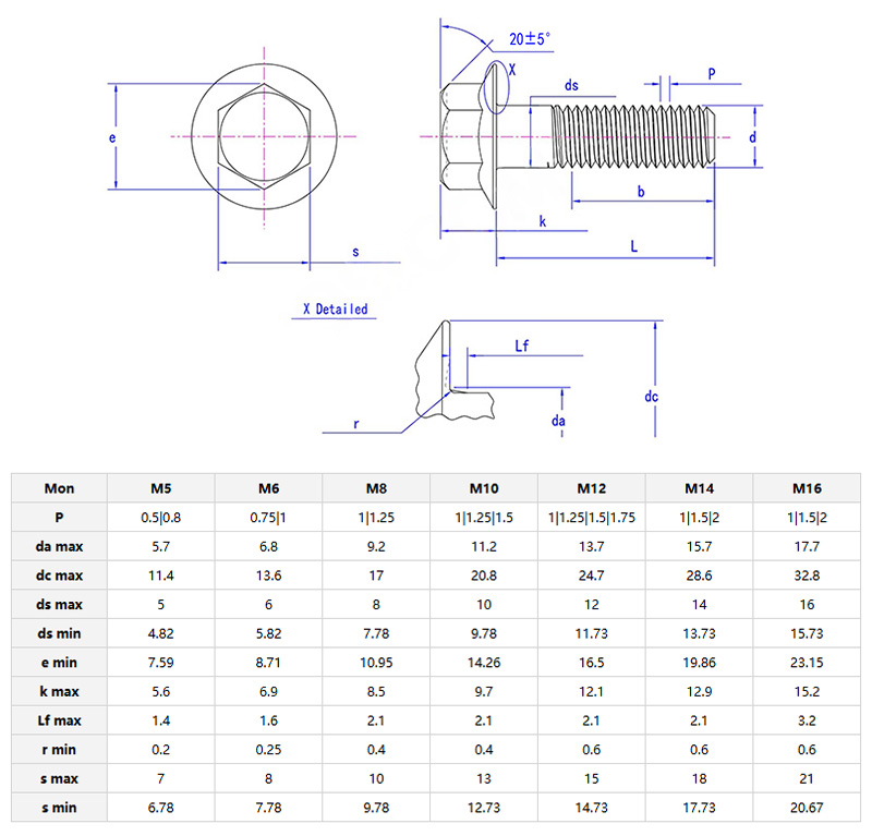
        Modell:ISO 15071-1999

        Skicka förfrågan

        Produktbeskrivning

        Undersexkantsbultar med fläns, det finns en fläns som en skiva. Det gör att bultar kan spela en speciell roll när man kopplar ihop saker. Den här typen av bultar kan spela roll på många ställen där anslutningskraven är relativt höga.

        Hexagon Bolts With Flange

        Tillämpningar och parametrar

        Sexkantsbultar med flänskan förhindra regn och rost. Ytbehandlingen av varmförzinkning gör att de kan användas till staket, bodar eller terrassramar. Flänsplattor kan förhindra att bultar fastnar i trä eller tunn metall och kräver ingen poleringsbehandling. De är lämpliga för bakgårdsbyggnader.

        Används i dammiga verkstäder och gårdar. Den tandade flänsen kan hålla fast den rostiga fogen, och sexkantshuvudet kommer inte att falla av även under högt vridmoment. De kan användas i traktorer, spannmålssilor och kraftiga hyllor.


        Den förtjockade flänsplattans struktur är integrerad vidsexkantsbult med fläns, som kombinerar köregenskaperna hos det sexkantiga huvudet med funktionen för axiell lastspridning. Ta industrimotorer som exempel. Vibrationerna som genereras under drift kan lätt orsaka slitage eller förspänningsdämpning av traditionella fästelement. Flänsbult med sexkanthuvud kan effektivt undertrycka överföringen av vibrationsenergi till anslutningsgränssnittet genom flänsplattans dämpande effekt och optimering av tryckfördelningen på kontaktytan.

        Hexagon Bolts With Flange

        Produktförsäljningsargument

        Det största försäljningsargumentet försexkantsbultar med flänsär att anslutningen är stabil och att den effektivt kan sprida trycket. De ökar kontaktytan med de anslutna föremålen. När den dras åt kan kraften fördelas jämnt, vilket gör anslutningen säkrare och minskar skador på materialet. Den har en starkare förmåga att motstå vibrationer.


        Hot Tags: Sexkantsbultar med fläns, Kina, tillverkare, leverantör, fabrik
        Relaterad kategori
        Skicka förfrågan
        Lämna gärna din förfrågan i formuläret nedan. Vi kommer att svara dig inom 24 timmar.
        X
        Vi använder cookies för att ge dig en bättre webbupplevelse, analysera webbplatstrafik och anpassa innehåll. Genom att använda denna sida godkänner du vår användning av cookies. Sekretesspolicy
        Avvisa Acceptera