Hem > Produkter > Bult > Flänsbult med sexkanthuvud > Klass 10.9 höghållfasta isolerade ledbultar
        Klass 10.9 höghållfasta isolerade ledbultar
        • Klass 10.9 höghållfasta isolerade ledbultarKlass 10.9 höghållfasta isolerade ledbultar
        • Klass 10.9 höghållfasta isolerade ledbultarKlass 10.9 höghållfasta isolerade ledbultar
        • Klass 10.9 höghållfasta isolerade ledbultarKlass 10.9 höghållfasta isolerade ledbultar

        Klass 10.9 höghållfasta isolerade ledbultar

        Klass 10.9 höghållfasta isolerade ledbultar som tillverkas av vår Xiaoguo® är mycket pålitliga, de är gjorda av högkvalitativt kolstål, den har hög hållfasthet, fasthet och stabilitet. Våra bultar finns i lager, så de kan skickas snabbt. Vill du veta priset på produkten? Kontakta oss så kan vi ge dig ett pris så snart som möjligt.
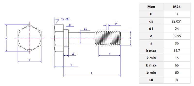
        Modell:TB/T 2347-1993

        Skicka förfrågan

        Produktbeskrivning

        Klass 10.9 höghållfasta isolerade ledbultaranvänds i tunga maskiner och de tål extrema belastningar. Till exempel kan gruvutrustning eller hydrauliska pressar och isolerande hylsor (som nylon eller PVC) blockera strömmen.

        Class 10.9 high strength insulated joint bolts

        Produktdetaljer och parametrar


        Klass 10.9 isolerade skarvbultar är vanligtvis gjorda av mellankolstål eller lågborlegerat stål. Efter släcknings- och härdningsbehandling når de den höga hållfasthetsstandarden av grad 10,9. De kan ordentligt fixa spåren och växlarna, vilket säkerställer en stabil drift av godståg.

        Den minsta draghållfastheten för de höghållfasta isolerade ledbultarna kan nå 1040 megapascal, och den minsta sträckgränsen är 940 megapascal. De klarar stabilt stora drag- och tryckkrafter och anslutningen är extremt stadig. Det kan effektivt blockera ledning av ström eller förhindra störningar från andra medier.

        För tillverkning av kraftutrustning,Klass 10.9 höghållfasta isolerade ledbultarär installeradepå platser som transformatorer och fördelningsskåp. När en transformator är i drift genererar den ett starkt elektriskt fält. De interna komponentanslutningarna måste ha tillräcklig styrka men även förhindra att elen går fritt för att undvika fel som kortslutning. Höghållfasta isolerade ledbultar kan bara uppfylla dessa strikta krav och säkerställa säker och stabil drift av kraftutrustning.


        Class 10.9 high strength insulated joint bolts

        Produktegenskaper

        Den isolerande delen avKlass 10.9 höghållfasta isolerade ledbultaranvänder speciella isoleringsmaterial, såsom vissa polymerisoleringsmaterial. Dessa material har goda isoleringsegenskaper och kan effektivt förhindra att elektrisk ström passerar igenom. Dessutom, under normala användningsförhållanden, kan isoleringsprestandan bibehållas under lång tid. Även i en lätt fuktig eller lätt korrosiv gasmiljö kan den fortfarande stabilt spela en isolerande roll.

        Hot Tags: Klass 10.9 höghållfasta isolerade ledbultar, Kina, tillverkare, leverantör, fabrik
        Relaterad kategori
        Skicka förfrågan
        Lämna gärna din förfrågan i formuläret nedan. Vi kommer att svara dig inom 24 timmar.
        X
        Vi använder cookies för att ge dig en bättre webbupplevelse, analysera webbplatstrafik och anpassa innehåll. Genom att använda denna sida godkänner du vår användning av cookies. Sekretesspolicy
        Avvisa Acceptera